Project Description

耐高溫矽膠塞
矽膠塞具耐燃、耐熱、耐濕、耐水性、電氣絕緣佳。

矽膠塞介紹
選擇矽膠產品是對耐高溫效果有特定的要求,比如常用的矽膠塞子對耐高低溫效果上有時需要在不同的環境中使用。
針對行業性選用不同的矽膠塞大致可分為幾種型別,也可侷限於矽膠自身的耐溫條件,通孔用矽膠塞對於貫通性通孔、盲孔型矽膠內塞以及沉頭螺 紋型耐高溫膠塞,三者的使用領域不同所以也讓產品材料選擇不同以及厚薄度不同所導致耐溫效果不同,通孔型膠塞的選擇就比較標準化,耐高溫效果 良好選用氣相法矽膠將原材料密度提升耐高溫效果會好一些,而針對於盲孔與螺紋型有差異的原因在於形狀與結構的不同所導致,與高溫接觸是感測的 速度更快讓這兩類產品高溫效果相對低一些。

通孔性表示產品屬於貫通,結構簡單壁厚粗大內部沒有任何複雜性,而盲孔和螺紋矽膠塞子則是產品結構參差不齊比較複雜所以感溫度較高也讓傳 熱器提升,不過原理還是在矽膠製品的耐高低溫範圍常規測試是在-40到230度左右,只是隨著矽膠製品廠家產品的結構性和原材料的特性而可能回突出 這個侷限達到更好的耐溫效果,而對於矽膠塞的耐溫效果怎麼樣,正常耐高溫還是可以突破侷限使用的!

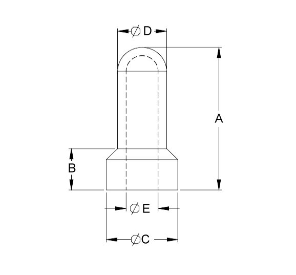
型號:S1421NP42
品名:盲孔塞
材質:矽膠
顏色:藍,黃,紅,綠,紫
良好的密封性能,盲孔式設計保護周圍遮護